Ammar Industrial Corporation is a trusted authorized dealer and supplier of high-quality pneumatic directional control valves in Kolkata. We offer a comprehensive range of precision-engineered valves designed for industrial automation, fluid control, and pneumatic systems. Our products ensure efficient airflow regulation, enhancing the performance of machinery in various industries, including manufacturing, automotive, and process control.
With a commitment to quality, reliability, and customer satisfaction, we provide top brands, competitive pricing, and expert guidance to help businesses select the right pneumatic solutions for their applications. Choose Ammar Industrial Corporation for premium pneumatic directional control valves and experience seamless industrial automation.
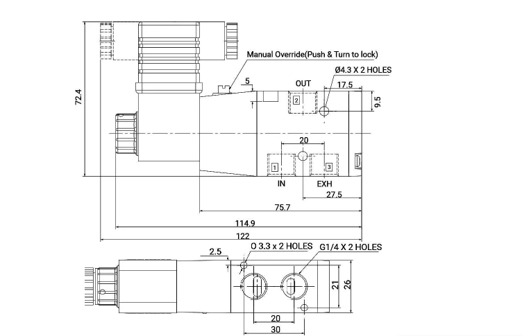
3/2 Single solenoid Valve with spring return
Salient Features
- Cartridge Type design for Long life
- Single and Manifold Mounting
- Lubrication not essential
- Fast responce time at maximum 1500 cycle/min
- 1 million Cycle tested
Valve Information
> Type: 3X2
> Design: Spool with Cartridge Type
> Media: Compressed Air, Filtered & Lubricated
> Working Pressure Range: 2-10 bar
>Ambient/Medium Temperature: 5°~60° C
> Materials of Construction: Aluminium, Nitrile, Brass, Polymer
Coil Information
> Coil Width: 26 mm
> Coil Bore: 10 mm
> Voltage (V) + 10%: AC (50Hz, 60Hz) – 24V, 110V, 230V DC 12V, 24V,36V,48V,110V
> Power Consumption: AC-6W, DC-6W
> Duty Cycle: Continuous
> Class of Insulation: Class H
> Type of Coil Protection: IP65
> Coil Housing: Epoxy Square Coil
Diagram & Dimension

Pneumatic Circuit Diagram
1 – Input 2/4, – Output 3/5 – Exhaust

3/2 Double Solenoid Valve - DCC Series
Salient Features
- Cartridge Type design for Long life
- Single and Manifold Mounting
- Lubrication not essential
- Fast responce time at maximum 1500 cycle/min
- 1 million Cycle tested
Valve Information
> Type: 3X2
> Design: Spool with Cartridge Type
> Media: Compressed Air, Filtered & Lubricated
> Working Pressure Range: 2-10 bar Ambient/Medium Temperature: 5° 60° C
> Materials of Construction: Aluminium, Nitrile, Brass, Polymer
Coil Information
> Coil Width: 26 mm
> Coil Bore: 10 mm
> Voltage (V) + 10%: AC (50Hz, 60Hz) – 24V, 110V, 230V DC 12V, 24V,36V,48V,110V
> Power Consumption: AC-6W, DC-6W
> Duty Cycle: Continuous
> Class of Insulation: Class H
> Type of Coil Protection: IP65
> Coil Housing: Epoxy Square Coil
Diagram & Dimension

Pneumatic Circuit Diagram
1 – Input 2/4, – Output 3/5 – Exhaust
